SC標準氣缸是國內常用的標準氣缸,之所以受廣大中企業的青睞是因為它的性價比高,經濟又劃算,多種附件安裝方便使用。瑞亨氣動專注氣缸生產十年之久,不會去做偷工減料自掘墳墓的事情,缸筒和端蓋的厚度都是同行的二倍以上,密封圈采用雙向YCC結構密封,瑞亨提供了全面的SC氣缸型號尺寸咨詢,SC標準氣缸價格咨詢,7X24小時的技術服務支持,銷售產品只是我們基本的工作,全方位服務客戶才是我們的重點工作。






應用廣泛之一的SC標準氣缸,價格參差不齊,正常100價格的氣缸,網上也能找到50塊的。偷工減料,粗制濫造已經成為常態,各個氣缸廠家在價格的戰斗泥潭中樂此不疲,深陷其中。貪圖便宜買到質量不好的產品,用到工業生產當中,將會延誤整個工作生產線,這筆賬還是要好好算算。
我們國人有一種本領:不是把產品做好,而是把價格做低。得點兒小便宜就沾沾自喜,不知不覺就把自己給滅了,今天我們的消費力和鑒賞力都上來了,我們再生產那么多垃圾產品就是資源的浪費,就是挑戰消費者的容忍度,就是對行業和自己未來的不負責任!
瑞亨氣動專注氣動十多年,當市場上大部分產品以劣質低價橫行的時候,瑞亨堅持一貫的超高標準,只為追求更加可靠的品質,也更在乎用戶感受與想法。
想想同樣的產品型號為什么價格會有這么大的區別,其中的問題不言而喻,這就需要我們真材實料去做產品。



有些消費者貪圖蠅頭小利,為了低價義無反顧,如果是終端設備使用,出現問題,整個生產線停止的話那損失的也不是當初便宜那幾塊錢能解決的,時間成本和人力成本這些都是要考慮的。
SC標準氣缸非常輕巧,由鋁合金表面進行氧化處理,使得耐用度增加;具有性能極好的活塞密封裝置。簡潔緊湊的結構和設計上的細節確保了氣缸的工作效率、耐久性和功能性。
標準氣缸型號缸徑從32.40.50.63.80.100.125.160.200.250不等,**能到320.行程**能到2米,還具有緩沖功能,導向性好,多種附件安裝選擇等優點。
標準氣缸的主要特點和優勢,
1、氣缸缸徑分為32~320mm不等,氣缸行程可達到2000mm。
2、氣缸前后端蓋均有緩沖調節功能,使氣缸活塞運行兩端平穩,無撞擊感。
3、多種氣缸安裝附件可供選擇,靈活多變。

如何進行標準氣缸選型呢?**確認缸徑和行程

行程就是活塞桿伸出去和縮回來之間的誤差距離,有些人會把氣缸本身外露算行程,這都是錯誤的。缸徑就是缸筒內壁的直徑,一般量外徑也是可以估算內徑的大小,同等氣壓下,缸徑越大出力越大。
國內常用的標準氣缸其功能都是一樣的,主要差別是外形安裝尺寸以及型號;
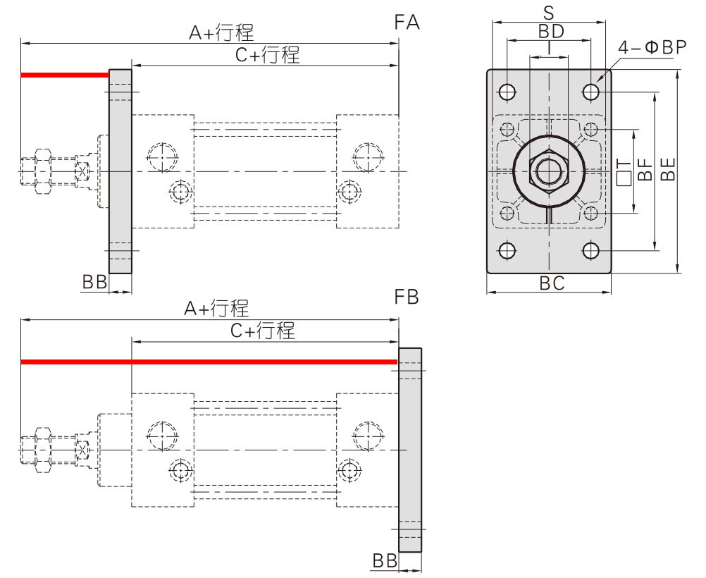
這是一個標準氣缸的基本外形圖,確認氣缸KB的安裝距離和確認A+行程氣缸總長距離,安裝的附件不通需要確認的尺寸也不一樣。

用法蘭板安裝需要確認的尺寸,前法蘭安裝需要確認:法蘭到活塞桿紅色線的距離和法蘭板BD,BF的安裝孔距。如果是后安裝同理也只要保證法蘭到氣缸頂端的距離, 這個時候氣缸本身的安裝孔距就并不重要了。

用CACB附件安裝確保DE孔的直徑孔和中心點到氣缸活塞頂端的距離,氣缸的本身安裝孔距就無關要緊。

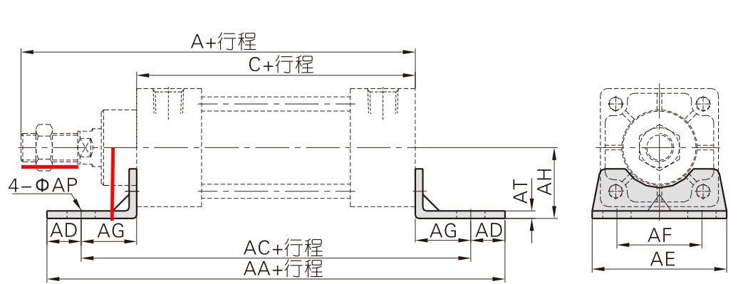
用LB腳坐安裝需要確認AC+行程 安裝孔距的距離。方便支架的安裝,確認支架底部到活塞桿的中間距離和伸縮長度。

TC和TCM中擺附件支架安裝保證TC中間軸到氣缸的頂端的距離

。
標準氣缸的附件是種類最多的,不同的附件能在各種工作環境下保證氣缸的安裝使用,能達到意想不到的效果。

SC標準氣缸_SC標準氣缸價格_SC標準氣缸廠家
SC標準氣缸_SC標準氣缸價格_SC標準氣缸廠家














SC標準氣缸_SC標準氣缸價格_SC標準氣缸廠家